產品分類
Guang hui stoves center均化布料車(拋料機)
YZXLC型卸料車
四連桿自動調偏裝置
全自動液壓拉緊裝置
PYTQ型全自動液壓皮帶調正...
SZYL型膠帶自控液壓拉緊裝...
YYTP型全自動液壓調整裝置
電動電液推桿
電動推桿
電液動回轉器(電液頭)
電液動單(雙)側犁式卸料器
SLD(D、S)型緩沖鎖氣漏...
電液動三、四通分料器
DSZ型電液動平板閘門
DSZ型電液動扇形閘門
DEZ型電液動腭式閘門
ZWJ型往復式給料機
裝車閘門(電動簸箕式)
搖臺
阻車器
推車機
滾輪(罐耳)導向裝置
YCZ-56型電液動料流插板...
SZYL型膠帶自控液壓拉緊裝...
YYTP型全自動液壓調整裝置
LST型露天膠帶機脫排水裝置
SZJ型碎渣機
DDHJ-1F型電液動矩形單...
DXV-F(Y)型星形卸灰閥...
電動錐形雙層卸灰閥
電液動錐形層卸灰閥
電液動插板式雙層卸灰閥門
LB(Ⅰ、Ⅱ)-型單、雙層棒...
電動鎖風翻板閥
重錘式鎖風翻板閥
電動百葉閥(圓式、窗式)
電液動漿液閥
DDHJ-1F型電液動矩形單...
電液動蝶閥
電液動球閥
鑄鐵棒
輸送機觀察罩
PFCK破碎機系列組合件
輸送機觀察罩
加寬防雨罩
防雨罩
江蘇精智能液壓機械有限公司
全國咨詢熱線:
傳真:0514-84719609
郵箱:
地址:揚州市高郵湯莊工業區
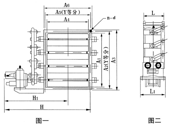
電動百葉閥(圓式、窗式)

產品詳情
1、ZK(Y、C)VB-0.05型電動百葉(圓式、窗式)閥
用途:
本閥是與電動執行機構配套使用,具有啟閉小、動作靈敏、性能可靠、口徑大、重量輕等優點。廣泛應用于冶金、建材、電力、石化、輕工等工業部門的風機、空調機、電收塵和各種大型管道中,能對粉塵、氣體、進行電動或手動調節和切斷。
主要技術參數:

外形尺寸:

2、DYTK(K、C)VB-0.05型電液動百葉(圓式、窗式)閥
用 途
本閥是與電動執行機構配套使用,具有啟閉小、動作靈敏、性能可靠、口徑大、重量輕等優點。廣泛應用于冶金、建材、電力、石化、輕工等工業部門的風機、空調機、電收塵和各種大型管道中,能對粉塵、氣體、進行電動或手動調節和切斷。
主要技術參數:

外形尺寸:
